Building a "Radio-less" Allstar Node
An Allstar Testset

Introduction

I realized I had eight FOBS left (I had purchased 10 for $24) and a bunch of Alinco microphones from node radios that no longer needed them. I also had bought a 3.8W Class D stereo amplifier board on my last order from Adafruit. Having the key ingredients and the rest of the parts in my junk box I decided to put together a "radio-less" node interface that will also make a great test box. The concept is nothing new and I don't claim any originality. I make things because I have a use and I document so others can get ideas on how to do it themselves.

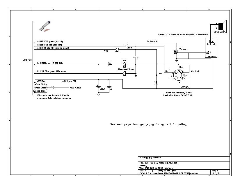
Refer back to my USB FOB modification article for details on FOB connections. The details are slightly different here though so refer to the schematic below. There of course is no need to use any specific hardware. If you have a different FOB or audio board it should work just a well. The only purchased item other than the USB FOB is the Adafruit audio amplifier. This is a highly efficient class D amplifier that runs on 5V. All power is supplied by the USB port.

More Details

The Alinco EMS-57 microphone is sold with the DRx35 series of radios as well as others. They are readily available over the Internet. It is a very nice mic that has LED lighting and DTMF. This mic also has a microprocessor for remote operation of radios but this is of no interest for this project. The microphone is designed to run on 5V and it also gets its power from the USB port. It uses a standard 8 pin Alinco/Kenwood wiring pattern. Simpleusb setup is carrierfrom=usbinvert, rxboost=1 and simpleusb-tune-menu levels of 500 for RX and 999 for TX. The TX level or what you hear in the speaker could be higher. The speaker never goes into distortion even at its highest level. The level is not tremendous but it is more than adequate for being close-by in a semi-quiet room.

UPDATE - I added a speaker jack on the side which disables the internal speaker when an external speaker is plugged in. It turns out the small internal speaker was not real efficient. It is OK for testing but not everyday listening. A quality external speaker sounds really exceptional. This little amp is really something. The audio from the FOB is very clean. One caution though the amplifier has bridged outputs meaning you cannot ground either of the speaker leads. I had to isolate the miniature jack for the external speaker from the chassis with some rubber washers.

Click on the Schematic for a PDF version

Photos

Some more photos of the project

I hope this gives you some ideas about how to use those extra FOBS and Microphones you have laying around. Have fun!

© 2015 - WA3DSP